本文件主要涵盖了“HJ1259-2022危险废物管理计划和管理台账制定技术导则”相关内容,关于更多实验室建设问题可来电咨询,天元世纪竭诚为您服务!

前 言
为贯彻《中华人民共和国环境保护法》《中华人民共和国固体废物污染环境防治法》等法律法规, 指导和规范产生危险废物的单位制定危险废物管理计划,建立危险废物管理台账和申报危险废物有关资 料,加强危险废物规范化环境管理,制定本标准。
本标准规定了产生危险废物的单位制定危险废物管理计划和管理台账、申报危险废物有关资料的总 体要求,危险废物管理计划制定要求,危险废物管理台账制定要求和危险废物申报要求。
本标准的附录A~附 录C 为资料性附录。
本标准为首次发布。
本标准由生态环境部固体废物与化学品司、法规与标准司组织制订。
本标准主要起草单位:生态环境部固体废物与化学品管理技术中心、广东省固体废物和化学品环境 中心、海南省环境科学研究院、山东省固体废物和危险化学品污染防治中心、重庆市固体废物管理中心、 河北省固体废物污染防治中心。
本标准生态环境部2022年6月20日批准。
本标准自2022年10月1日起实施。
本标准由生态环境部解释。
危险废物管理计划和管理台账制定技术导则
1.适用范围
本标准规定了产生危险废物的单位制定危险废物管理计划和管理台账、申报危险废物有关资料的总 体要求,危险废物管理计划制定要求,危险废物管理台账制定要求和危险废物申报要求。
本标准适用于指导产生危险废物的单位制定危险废物管理计划和管理台账,并通过国家危险废物信 息管理系统(含省级自建系统,下同)向所在地生态环境主管部门申报危险废物的种类、产生量、流向、 贮存、利用、处置等有关资料。
小微企业危险废物收集单位可参照本标准,提供危险废物管理计划和管理台账制定、危险废物申报 等服务。
2.规范性引用文件
本标准引用了下列文件或其中的条款。凡是注明日期的引用文件,仅注日期的版本适用于本标准。 凡是未注日期的引用文件,其最新版本(包括所有的修改单)适用于本标准。
GB/T 4754 国民经济行业分类
GB 5085.1 危险废物鉴别标准 腐蚀性鉴别
GB 5085.2 危险废物鉴别标准 急性毒性初筛
GB 5085.3 危险废物鉴别标准 浸出毒性鉴别
GB 5085.4 危险废物鉴别标准 易燃性鉴别
GB 5085.5 危险废物鉴别标准 反应性鉴别
GB 5085.6 危险废物鉴别标准 毒性物质含量鉴别
GB 5085.7 危险废物鉴别标准 通则
GB 18597 危险废物贮存污染控制标准
HJ 298 危险废物鉴别技术规范
HJ 608 排污单位编码规则
HJ 1033 排污许可证申请与核发技术规范工业固体废物和危险废物治理
《国家危险废物名录》
3.术语和定义
下列术语和定义适用于本标准。
3.1 危险废物 hazardous waste
列入国家危险废物名录或者根据国家规定的危险废物鉴别标准和鉴别方法认定的具有危险特性的固体废物。
3.2 贮存 storage
将固体废物临时置于特定设施或者场所中的活动。
3.3 利用 recycling
从固体废物中提取物质作为原材料或者燃料的活动。
3.4 处置 disposal
将固体废物焚烧和用其他改变固体废物的物理、化学、生物特性的方法,达到减少已产生的固体废物数量、缩小固体废物体积、减少或者消除其危险成分的活动,或者将固体废物最终置于符合环境保护规定要求的填埋场的活动。
4.总体要求
4.1 基本原则
4.1.1 产生危险废物的单位,应当按照本标准4.3规定的分类管理要求,制定危险废物管理计划,内容应当包括减少危险废物产生量和降低危险废物危害性的措施以及危险废物贮存、利用、处置措施;建立危险废物管理台账,如实记录危险废物的种类、产生量、流向、贮存、利用、处置等有关信息;通过国家危险废物信息管理系统向所在地生态环境主管部门备案危险废物管理计划,申报危险废物有关资料。
4.1.2 产生危险废物的单位应当按照实际情况填写记录有关内容,并对内容的真实性、准确性和完整性负责。
4.2 分类管理
4.2.1 根据危险废物的产生数量和环境风险等因素,产生危险废物的单位的管理类别按照以下原则分为危险废物环境重点监管单位、危险废物简化管理单位和危险废物登记管理单位。
a)危险废物环境重点监管单位
具备下列条件之一的单位,纳入危险废物环境重点监管单位:
1)同一生产经营场所危险废物年产生量100t 及以上的单位。
2)具有危险废物自行利用处置设施的单位。
3)持有危险废物经营许可证的单位。
b)危险废物简化管理单位
同一生产经营场所危险废物年产生量10t 及以上且未纳入危险废物环境重点监管单位的单位。
c)危险废物登记管理单位
同一生产经营场所危险废物年产生量10t 以下且未纳入危险废物环境重点监管单位的单位。
4.2.2 设区的市级以上地方人民政府生态环境主管部门可以根据国家对危险废物分级分类管理的有关 规定,结合本地区实际情况,确定产生危险废物的单位的管理类别。
4.2.3 危险废物年产生量按以下方法确定:投运满3年的,其危险废物年产生量按照近3年年最大量 确定;投运满1年但不满3年的,危险废物年产生量按投运期间年最大量确定;未投运、投运不满1 年或间歇产生危险废物周期大于3年的,按照环境影响评价文件、排污许可证副本等文件中较大的危险 废物核算量确定。
4.3 分类管理要求
4.3.1 危险废物管理计划制定内容应根据产生危险废物的单位的管理类别确定。
4.3.2 危险废物的种类、产生量、流向、贮存、利用、处置等有关资料的申报周期应根据产生危险废 物的单位的管理类别确定。
4.3.3 鼓励有条件的地区在危险废物环境重点监管单位推行电子地磅、视频监控、电子标签等集成智 能监控手段,如实记录危险废物有关信息,有条件的可与国家危险废物信息管理系统联网。
5.危险废物管理计划制定要求
5.1 制定单位
同一法人单位或者其他组织所属但位于不同生产经营场所的单位,应当以每个生产经营场所为单位,分别制定危险废物管理计划,并通过国家危险废物信息管理系统向生产经营场所所在地生态环境主管部门备案。
5.2 制定形式及时限要求
5.2.1 产生危险废物的单位应当按年度制定危险废物管理计划。
5.2.2 产生危险废物的单位应当于每年3月31日前通过国家危险废物信息管理系统在线填写并提交当 年度的危险废物管理计划,由国家危险废物信息管理系统自动生成备案编号和回执,完成备案。
5.2.3 危险废物管理计划备案内容需要调整的,产生危险废物的单位应当及时变更。
5.3 一般原则
5.3.1 危险废物环境重点监管单位的管理计划制定内容应包括单位基本信息、设施信息、危险废物产 生情况信息、危险废物贮存情况信息、危险废物自行利用/处置情况信息、危险废物减量化计划和措施、 危险废物转移情况信息。
5.3.2 危险废物简化管理单位的管理计划制定内容应包括单位基本信息、危险废物产生情况信息、危 险废物贮存情况信息、危险废物减量化计划和措施、危险废物转移情况信息。
5.3.3 危险废物登记管理单位的管理计划制定内容应包括单位基本信息、危险废物产生情况信息、危 险废物转移情况信息。
5.4 单位基本情况填写要求
5.4.1 单位基本信息
单位基本信息填写内容参见附录A.1, 填写应满足以下要求。
a)行业类别:根据GB/T 4754中对应的类别和代码填写。
b)管理类别:指危险废物环境重点监管单位、危险废物简化管理单位或者危险废物登记管理单位。
5.4.2 设施信息
设施信息填写内容参见附录A.2, 填写应满足以下要求。
a)主要生产单元、主要工艺、生产设施及设施参数、产品名称、生产能力、原辅材料:与排污许 可证副本中载明的内容保持一致。
b)设施编码:填写排污许可证副本中载明的编码。若无编码,则根据HJ 608进行编码并填写。
对于产生环节不固定的危险废物,选取其中一个产生该类别危险废物的设施编码填写。
c)污染防治设施参数:指危险废物自行利用设施、自行处置设施和贮存设施的参数。
5.5 危险废物基本情况填写要求
5.5.1 危险废物产生
危险废物产生情况填写内容参见附录A.3, 填写应满足以下要求。
a)危险废物名称、类别、代码和危险特性:依据《国家危险废物名录》或根据 GB 5085.1~7 和 HJ 298判定并填写。有行业俗称或单位内部名称的,同时填写行业俗称或单位内部名称。
b)有害成分名称:危险废物中对环境有害的主要污染物名称,如苯系物、氰化物、砷等。
c)产生危险废物设施名称和编码:依据本标准第5.4.2部分填写的生产设施名称、生产设施编码 填写,可由国家危险废物信息管理系统自动生成。
d)本年度预计产生量:本年度预计产生的危险废物量。
e)计量单位:填写吨。以升、立方米等体积计量的,应折算成重量吨;以个数作为计量单位的, 除填写个数外,还应折算成重量吨。
f)内部治理方式及去向:自行利用设施编码、自行处置设施编码和贮存设施编码依据本标准第
5.4.2 部分填写的污染防治设施编码填写,可由国家危险废物信息管理系统自动生成。
5.5.2 危险废物贮存
5.5.2.1 危险废物贮存情况填写内容参见附录A.4,填写应满足以下要求。
a)危险废物名称、类别、代码、有害成分名称、形态、危险特性:依据本标准第5.5.1部分填写 的相关信息填写,可由国家危险废物信息管理系统自动生成。
b)贮存设施编码:依据本标准第5.4.2部分填写的污染防治设施编码填写,可由国家危险废物信 息管理系统自动生成。
c)贮存设施类型:根据GB 18597 中贮存设施类型填写。
d)包装形式:包括包装容器、材质、规格等。
e)本年度预计剩余贮存量:预计截至本年底贮存设施内危险废物的库存量。
f)计量单位:填写吨。以升、立方米等体积计量的,应折算成重量吨;以个数作为计量单位的, 除填写个数外,还应折算成重量吨。
5.5.2.2 危险废物贮存能力应与排污许可证副本中载明的保持一致,或根据产生危险废物的单位环境 影响评价文件及审批意见确定。
5.5.3 危险废物自行利用/处置
5.5.3.1 危险废物自行利用/处置情况填写内容参见附录A.5, 填写应满足以下要求。
a)设施类型:指自行利用设施和自行处置设施。
b)危险废物名称、类别、代码、有害成分名称、形态、危险特性:依据本标准第5.5.1部分填写 的相关信息填写,可由国家危险废物信息管理系统自动生成。
c)自行利用/处置设施编码:依据本标准第5.4.2部分填写的污染防治设施编码填写,可由国家危 险废物信息管理系统自动生成。
d)自行利用/处置方式代码:根据HJ 1033附 录F 填写。
e)本年度预计自行利用/处置量:本年度预计自行利用/处置的危险废物量。
f)计量单位:填写吨。以升、立方米等体积计量的,应折算成重量吨;以个数作为计量单位的, 除填写个数外,还应折算成重量吨。
5.5.3.2 危险废物自行利用/处置能力应与排污许可证副本中载明的保持一致,或根据产生危险废物的 单位环境影响评价文件及审批意见确定。
5.5.4 危险废物减量化
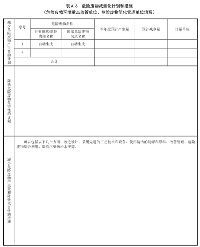
5.5.4.1 危险废物减量化计划和措施填写内容参见附录A.6。
5.5.4.2 根据自身产品生产和危险废物产生情况,在借鉴同行业发展水平和经验的基础上,提出减少 危险废物产生量和降低危险废物危害性措施的计划,明确改进原料、工艺、技术、管理等。
5.5.5 危险废物转移
危险废物转移情况填写内容参见附录A.7, 填写应满足以下要求。
a)转移类型:指省内转移、跨省转移和境外转移。
b)危险废物名称、类别、代码、有害成分名称、形态、危险特性:依据本标准第5.5.1部分填写 的相关信息填写,可由国家危险废物信息管理系统自动生成。
c)本年度预计转移量:本年度预计转移的危险废物量。
d)计量单位:填写吨。以升、立方米等体积计量的,应折算成重量吨;以个数作为计量单位的, 除填写个数外,还应折算成重量吨。
e)利用/处置方式代码:根据HJ 1033附录F 填写。
f)拟接收单位类型:危险废物经营许可证持有单位、危险废物利用处置环节豁免管理单位、中华 人民共和国境外的危险废物利用处置单位等。
g)拟接收危险废物经营许可证持有单位名称、经营许可证编号:应当与国家危险废物信息管理系 统中登记的危险废物经营许可证持有单位相关信息关联并一致,可由国家危险废物信息管理系 统自动生成。
h)危险废物利用处置环节豁免管理单位的相关信息应在国家危险废物信息管理系统中登记。
i)危险废物出口至境外的,应在国家危险废物信息管理系统中填写中华人民共和国境外的危险废 物利用处置单位信息。
6.危险废物管理台账制定要求
6.1 一般原则
6.1.1 产生危险废物的单位应建立危险废物管理台账,落实危险废物管理台账记录的责任人,明确工 作职责,并对危险废物管理台账的真实性、准确性和完整性负法律责任。
6.1.2 产生危险废物的单位应根据危险废物产生、贮存、利用、处置等环节的动态流向,如实建立各 环节的危险废物管理台账,记录内容参见附录B。
6.1.3 危险废物管理台账分为电子管理台账和纸质管理台账两种形式。产生危险废物的单位可通过国 家危险废物信息管理系统、企业自建信息管理系统或第三方平台等方式记录电子管理台账。
6.2 频次要求
产生后盛放至容器和包装物的,应按每个容器和包装物进行记录;产生后采用管道等方式输送至贮 存场所的,按日记录;其他特殊情形的,根据危险废物产生规律确定记录频次。
6.3 记录内容
6.3.1 危险废物产生环节,应记录产生批次编码、产生时间、危险废物名称、危险废物类别、危险废物代码、产生量、计量单位、容器/包装编码、容器/包装类型、容器/包装数量、产生危险废物设施编码、 产生部门经办人、去向等。
6.3.2 危险废物入库环节,应记录入库批次编码、入库时间、容器/包装编码、容器/包装类型、容器/ 包装数量、危险废物名称、危险废物类别、危险废物代码、入库量、计量单位、贮存设施编码、贮存设 施类型、运送部门经办人、贮存部门经办人、产生批次编码等。
6.3.3 危险废物出库环节,应记录出库批次编码、出库时间、容器/包装编码、容器/包装类型、容器/ 包装数量、危险废物名称、危险废物类别、危险废物代码、出库量、计量单位、贮存设施编码、贮存设 施类型、出库部门经办人、运送部门经办人、入库批次编码、去向等。
6.3.4 危险废物自行利用/处置环节,应记录自行利用/处置批次编码、自行利用/处置时间、容器/包装 编码、容器/包装类型、容器/包装数量、危险废物名称、危险废物类别、危险废物代码、自行利用/处置 量、计量单位、自行利用/处置设施编码、自行利用/处置方式、自行利用/处置完毕时间、自行利用/处 置部门经办人、产生批次编码/出库批次编码等。
6.3.5 危险废物委外利用/处置环节,应记录委外利用/处置批次编码、出厂时间、容器/包装编码、容 器/包装类型、容器/包装数量、危险废物名称、危险废物类别、危险废物代码、委外利用/处置量、计量 单位、利用/处置方式、接收单位类型、利用/处置单位名称、许可证编码/出口核准通知单编号、产生批 次编码/出库批次编码等。
6.4 记录保存
保存时间原则上应存档5年以上。
7.危险废物申报要求
7.1 一般原则
7.1.1 产生危险废物的单位应定期通过国家危险废物信息管理系统向所在地生态环境主管部门申报危 险废物的种类、产生量、流向、贮存、利用、处置等有关资料。
7.1.2 产生危险废物的单位应根据危险废物管理台账记录归纳总结申报期内危险废物有关情况,保证 申报内容的真实性、准确性和完整性,按时在线提交至所在地生态环境主管部门,台账记录留存备查。
7.1.3 产生危险废物的单位可以自行申报,也可以委托危险废物经营许可证持有单位或者经所在地生 态环境主管部门同意的第三方单位代为申报。
7.2 申报周期
7.2.1 危险废物环境重点监管单位应当按月度和年度申报危险废物有关资料,且于每月15日前和每年 3月31日前分别完成上一月度和上一年度的申报。
7.2.2 危险废物简化管理单位应当按季度和年度申报危险废物有关资料,且于每季度首月15日前和每 年3月31日前分别完成上一季度和上一年度的申报。
7.2.3 危险废物登记管理单位应当按年度申报危险废物有关资料,且于每年3月31日前完成上一年度 的申报。
7.3 申报内容
7.3.1 申报内容包括危险废物产生情况、危险废物自行利用/处置情况、危险废物委托外单位利用/处 置情况、贮存情况,申报报告格式参见附录C。
7.3.2 通过国家危险废物信息管理系统建立危险废物电子管理台账的单位,国家危险废物信息管理系统自动生成危险废物申报报告,经其确认并在线提交后,完成申报。
附 录 A
(资料性附录)
危险废物管理计划参考表




附 录 B
(资料性附录)
危险废物管理台账参考表



附 录 C
(资料性附录)
危险废物申报报告参考表

